Технически
университет
– София
– Машиностроителен
факултет
Катедра
“прецизна техника и
уредостроене”
Изпит по “Метрология и измервателна техника”
(Индивидуално
задание за
всеки
студент)
Въпрос
1.
Предавателна
(статична)
характеристика
на
измервателното
средство.
Праг на
чувствителност.
Зона на
нечувствителност.
Разделителна
способност.
Точност на ИС.
Въпрос
2.
Метрологичен
надзор.
Обекти на
надзора.
Основни
надзорни
дейности и
права на
Главна
дирекция “Мерки
и
измервателни
уреди”
според
Закона за
измерванията.
Въпрос
3.
Особености
на системата ISO за
нормиране на
точността на
резбови
елементи.
Приведен
среден
диаметър.
Сумарен
допуск.
Критерий за
годността на
резбата.
Въпрос
4.
Опишете
накратко
предназначението,
конструкцията,
метрологичните
възможности
и начина на
работа с
вътромера с
измервателен
часовник.
Какви други
вътромери
познавате?
4.1
Отчетете
размера
по
показаната
нониусна
скала и
запишете (не
върху билета)
резултата L = ……..
, дименсията
му [……],
стойността
на деление на
нониуса iН = ….
[……]
и модула на
нониуса γ =
……
4.2
Отчетете
размера
по
показаната
микрометрична скала и
запишете
резултата L = ……,
дименсията
му […...] и
стоиността
на деление на
кръговата
скала iК = ……
[……].

Въпрос
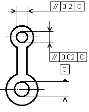
5.
На
чертежа на
машинен
детайл са поставени следните
означения:

5.1.
Да се
запише с думи
какво
означават
отделните
символи;
5.2.
За всеки
от символите
да се посочи
числената
стойност на
съответния
параметър и
дименсията й;
5.3.
Да се
дешифрира (опише)
смисъла на
отделните
количествени
параметри
като се
поясни със
скица.
Въпрос
6.
За
показания на
чертежа
детайл

6.1.
Да се
запише с думи
какви
изисквания
са поставени
към неговата
точност;
6.2.
Да се
дешифрира (опише)
смисъла на
поставените
изисквания
като се
пояснят със
скица.
6.3.
Да се
предложат
методи за
измерване на
посочените
изисквания
като се
илюстрират
със схема;
6.4. Да се изберат подходящи измервателни средства.